您好,歡迎光臨帝國科技!
產品分類
PRODUCT
PRODUCT
- 國產晶振
- 聲表面濾波器
- 石英晶體
- 石英晶振
- 貼片晶振
- 陶瓷晶振
- 陶瓷濾波器
- 陶瓷霧化片
- 進口晶振
- MERCURY晶振
- Fujicom晶振
- 日本大真空晶振
- 愛普生晶振
- 西鐵城晶振
- 精工晶振
- 村田陶瓷晶振
- 日本京瓷晶振
- 日本進口NDK晶體
- 大河晶振
- TXC晶振
- 亞陶晶振
- 臺灣泰藝晶體
- 臺灣鴻星晶體
- 美國CTS晶體
- 微孔霧化片
- 加高晶振
- 希華石英晶振
- AKER晶振
- NAKA晶振
- SMI晶振
- NJR晶振
- NKG晶振
- Sunny晶振
- 歐美晶振
- Abracon晶振
- ECS晶振
- Golledge晶振
- IDT晶振
- Jauch晶振
- Pletronics晶振
- Raltron晶振
- SiTime晶振
- Statek晶振
- Greenray晶振
- 康納溫菲爾德晶振
- Ecliptek晶振
- Rakon晶振
- Vectron晶振
- 微晶晶振
- AEK晶振
- AEL晶振
- Cardinal晶振
- Crystek晶振
- Euroquartz晶振
- FOX晶振
- Frequency晶振
- GEYER晶振
- KVG晶振
- ILSI晶振
- MMDCOMP晶振
- MtronPTI晶振
- QANTEK晶振
- QuartzCom晶振
- Quarztechnik晶振
- Suntsu晶振
- Transko晶振
- Wi2Wi晶振
- ACT晶振
- MTI晶振
- Lihom晶振
- Rubyquartz晶振
- Oscilent晶振
- SHINSUNG晶振
- ITTI晶振
- PDI晶振
- ARGO晶振
- IQD晶振
- Microchip晶振
- Silicon晶振
- Fortiming晶振
- CORE晶振
- NIPPON晶振
- NICKC晶振
- QVS晶振
- Bomar晶振
- Bliley晶振
- GED晶振
- FILTRONETICS晶振
- STD晶振
- Q-Tech晶振
- Anderson晶振
- Wenzel晶振
- NEL晶振
- EM晶振
- PETERMANN晶振
- FCD-Tech晶振
- HEC晶振
- FMI晶振
- Macrobizes晶振
- AXTAL晶振
帝國博客
更多>>- 規格型號:86567300
- 頻率:6.75~90MHZ
- 尺寸:2.5*2.0*0.8mm詳細內容請瀏覽PDF文檔
- 產品描述:有源晶振,是只晶體本身起振需要外部電壓供應,起振后可直接驅動CMOS 集成電路,產品本身已實現與薄型IC(TSSOP封裝,TVSOP封裝)同樣的1mm厚度,斷開時的消費電流是15 μA以下,編帶包裝方式可對應自動搭載及IR回流焊接(無...
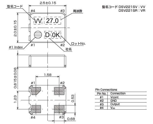
DSV221SV晶振,VCXO壓控振蕩器,貼片水晶振子
.jpg)
DSV221SV晶振,VCXO壓控振蕩器,貼片水晶振子,從最初超大體積到現在的7050mm,6035mm,5032mm,3225mm,2520mm體積,有著翻天覆地的改變,體積的變小也試產品帶來了更高的穩定性能,接縫密封石英晶體振蕩器,精度高,覆蓋頻率范圍寬的特點,SMD高速自動安裝和高溫回流焊設計,Optionable待機輸出三態輸出功能,電源電壓范圍:1.8 V~5 V,高穩定性,低抖動,低功耗,主要應用領域:無線通訊,高端智能手機,平板筆記本WLAN,藍牙,數碼相機.

| 規格參數 | DSV221SV |
| 頻率范圍 | 6.75~90.0MHZ |
| 電源電壓 | +2.8 ~ +3.3V |
| 負載電容 | 15 pF |
|
周波數安定度 常溫偏差 |
±40 × 10-6 max (After 2 reflows) |
| 溫度特征 | ±15×10-6 max /-30~+85℃ |
| 消費電流 |
+1.5mA max (f≤26MHZ) +2.0mA max (f>26MHZ) |
| 負荷變動特性 | ±0.2×10-6 max |
| 電源電壓特性 | ±0.2×10-6 max (Vcc±5%) |
| 老化率 | ±1.0×10-6 max /year |
| 起動時間 | 2.0ms max |


.jpg)
自1959年成立以來,我們在大真空總是確保全球消費者的信任通過提供產品滿足需要投身于更大的復雜性,在我們的“依賴”的三個哲學:“可靠的人”“可靠的產品,”和“可靠的公司.“作為一個全球石英設備制造商,我們努力幫助實現新一代電子社會,更方便、更舒適,通過開發水晶設備對全球環境友好.
基于我們的座右銘“高質量的產品,合理的價格,準時交貨,“我們建立了一種高效的生產系統,以確保穩定供應水晶設備,同時保持高質量.大真空的綜合生產系統,從開發、切割和拋光的合成石英晶體成品——使我們能夠迅速滿足全球客戶的需求.我們將繼續支持下一代技術作為主要石英設備制造市場提供高滿意度的質量、成本和交付.
經由不同的石英切割角度及不同電極型狀的電場效應, 石英芯片展現了各種不同的振動模態. 以經常產生的振動模態可以概分為擾曲模態(flexure mode), 伸縮模態(extension mode), 面剪切模態(face shear mode) 和 厚度剪切模態(thickness shear mode). 這幾種振動模態以簡單的方法在表一中可以看到. 在實際狀況中, 石英芯片并不是一定祇有單一種振動模態, 而可能有多種模態同時存在在一個石英芯片的振蕩中, 經由適當的設計, 可以壓制其它不希望產生的振動模態(unwanted mode), 來達到主要振動模態的最佳化.

在所有領域的業務活動,從開發,生產和銷售水晶的應用產品,大真空集團業務策略促進普遍信任的環境管理活動.
大真空集團將:
1.主動在能源和資源節約通過適當地控制物質與環境的影響和減少它們的使用.
2.有效利用資源,防止環境污染的減少和妥善處理廢物,包括重用和回收.
3.防止全球變暖,開展節能活動,減少二氧化碳排放.
4.避免采購或使用礦物質,直接或間接金融或受益武裝組織在剛果民主共和國或鄰近的國家.
5.遵守有關環境的法律、標準、協議和任何其他公司訂閱需求.
6.基于這個環境政策制定環境目標和目標,同時促進這些活動還經常審查環境管理體系的持續改進.
7. 教育所有員工和那些為我們組工作在我們的環境政策和提高環境保護的意識教育和宣傳活動.
8.確保信息在我們的環境保護活動是向公眾開放.

深圳市帝國科技有限公司SHENZHEN DIGUO TECHONLOGY CO.,LTD
聯系人:譚蘭艾 手 機:86-13826527865
電 話:86-0755-27881119 QQ:921977998
E-mail:dgkjly@163.com
網 址:www.guazigou.com
地 址:中國廣東省深圳市寶安區西鄉大道新湖路








業務經理