您好,歡迎光臨帝國科技!
產品分類
PRODUCT
PRODUCT
- 國產晶振
- 聲表面濾波器
- 石英晶體
- 石英晶振
- 貼片晶振
- 陶瓷晶振
- 陶瓷濾波器
- 陶瓷霧化片
- 進口晶振
- MERCURY晶振
- Fujicom晶振
- 日本大真空晶振
- 愛普生晶振
- 西鐵城晶振
- 精工晶振
- 村田陶瓷晶振
- 日本京瓷晶振
- 日本進口NDK晶體
- 大河晶振
- TXC晶振
- 亞陶晶振
- 臺灣泰藝晶體
- 臺灣鴻星晶體
- 美國CTS晶體
- 微孔霧化片
- 加高晶振
- 希華石英晶振
- AKER晶振
- NAKA晶振
- SMI晶振
- NJR晶振
- NKG晶振
- Sunny晶振
- 歐美晶振
- Abracon晶振
- ECS晶振
- Golledge晶振
- IDT晶振
- Jauch晶振
- Pletronics晶振
- Raltron晶振
- SiTime晶振
- Statek晶振
- Greenray晶振
- 康納溫菲爾德晶振
- Ecliptek晶振
- Rakon晶振
- Vectron晶振
- 微晶晶振
- AEK晶振
- AEL晶振
- Cardinal晶振
- Crystek晶振
- Euroquartz晶振
- FOX晶振
- Frequency晶振
- GEYER晶振
- KVG晶振
- ILSI晶振
- MMDCOMP晶振
- MtronPTI晶振
- QANTEK晶振
- QuartzCom晶振
- Quarztechnik晶振
- Suntsu晶振
- Transko晶振
- Wi2Wi晶振
- ACT晶振
- MTI晶振
- Lihom晶振
- Rubyquartz晶振
- Oscilent晶振
- SHINSUNG晶振
- ITTI晶振
- PDI晶振
- ARGO晶振
- IQD晶振
- Microchip晶振
- Silicon晶振
- Fortiming晶振
- CORE晶振
- NIPPON晶振
- NICKC晶振
- QVS晶振
- Bomar晶振
- Bliley晶振
- GED晶振
- FILTRONETICS晶振
- STD晶振
- Q-Tech晶振
- Anderson晶振
- Wenzel晶振
- NEL晶振
- EM晶振
- PETERMANN晶振
- FCD-Tech晶振
- HEC晶振
- FMI晶振
- Macrobizes晶振
- AXTAL晶振
帝國博客
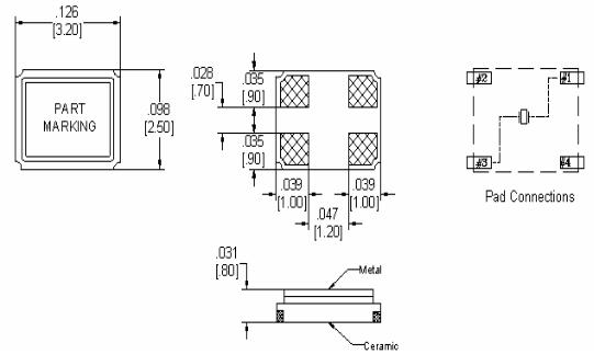
更多>>- 規格型號:43266609
- 頻率:12~50MHZ
- 尺寸:3.2*2.5mm
- 產品描述:PDI晶振,C3晶振,3225mm無源晶振,超小型表面貼片型SMD晶振,最適合使用在汽車電子領域中,也是特別要求高可靠性的引擎控制用CPU的時鐘部分.低頻晶振可從7.98MHz起對應,小型,超薄型具備強防焊裂性,石英晶體在極端嚴酷的環...
PDI晶振,C3晶振,3225mm無源晶振
.jpg)
PDI晶振,C3晶振,3225mm無源晶振,超小型表面貼片型SMD晶振,最適合使用在汽車電子領域中,也是特別要求高可靠性的引擎控制用CPU的時鐘部分.低頻晶振可從7.98MHz起對應,小型,超薄型具備強防焊裂性,石英晶體在極端嚴酷的環境條件下也能發揮穩定的起振特性,產品本身具有耐熱,耐振,耐撞擊等優良的耐環境特性,滿足無鉛焊接以及高溫回流溫度曲線要求,符合AEC-Q200標準.PDI晶振是來自美國的頻率元件供應商,專業設計和量產各種高精度,高可靠,高穩定性,耐高溫,低功耗的優質正品晶振,每一顆PDI石英晶體振蕩器型號在市場上都能大賣,因其產品的優良性以及合理的價格總能讓眾多客戶慕名前來采買,導致PDI晶振名氣大漲,銷量創新高,堅持以一流的服務,優質的產品帶走用戶超值的體驗,讓用戶追隨他們的腳步前行,他們有著不斷超越自我的信念才使得PDI晶振,在業界聞名于世,同時,也用產品來證實他們的實力無人可敵,并開拓自己的新天地.
PDI Crystal在1989年已經是頻率控制設備的主要供貨商,主要致力于石英晶振,濾波器,PDI溫補晶振,有源晶振等系列產品規格的銷售,PDI晶振的高質量及高性能被廣泛的使用.PDI晶振,C3晶振,3225mm無源晶振.

| PARAMETER |
MINI- MUM |
MAXI- MUM |
UNITS |
| Center Frequency | 12MHz | 50MHz | MHz |
| Frequency Stability at +25°C (See Note 2) | ± 10 | ± 50 | ppm |
| Frequency Stability Over Temperature | ± 10 | ± 50 | ppm |
| Operating Temperature Range (See Note 2) | -20 to 70 | °C | |
| Storage Temperature Range | -55 to 125 | °C | |
| Drive Level | 100uW | uW | |
| Shunt Capacitance | 5.0 | 7.0 | pF |
| Motional Capacitance | Customer Specified | fF | |
| Load Capacitance | 18 Standard or Series | pF | |
| Aging per year | ± 5 | ppm | |
.jpg)
.jpg)
耐焊性:
將晶振加熱包裝材料至+150°C以上會破壞產品特性或損害產品.如需在+150°C以上焊接石英晶振,建議使用SMD晶振產品.在下列回流條件下,對石英晶振產品甚至SMD貼片晶振使用更高溫度,會破壞晶振特性.建議使用下列配置情況的回流條件.安裝這些貼片晶振之前,應檢查焊接溫度和時間.同時,在安裝條件更改的情況下,請再次進行檢查.如果需要焊接的晶振產品在下列配置條件下進行焊接,請聯系我們以獲取耐熱的相關信息.
粘合劑
請勿使用可能導致石英晶振所用的封裝材料,終端,組件,玻璃材料以及氣相沉積材料等受到腐蝕的膠粘劑.(比如,氯基膠粘劑可能腐蝕一個晶振的金屬“蓋”,從而破壞密封質量,降低性能.)
機械振動的影響
當晶振產品上存在任何給定沖擊或受到周期性機械振動時,比如:壓電揚聲器,壓電蜂鳴器,以及喇叭等,輸出頻率和幅度會受到影響.這種現象對通信器材通信質量有影響.盡管晶振產品設計可最小化這種機械振動的影響,我們推薦事先檢查并按照下列安裝指南進行操作.
熱影響
重復的溫度巨大變化可能會降低受損害的石英晶振產品特性,并導致塑料封裝里的線路擊穿.必須避免這種情況.
安裝方向
振蕩器的不正確安裝會導致故障以及崩潰,因此安裝時,請檢查安裝方向是否正確.
通電
不建議從中間電位和/或極快速通電,否則會導致無法產生振蕩和/或非正常工作.
負載電容
有源晶振振蕩電路中負載電容的不同,可能導致振蕩頻率與設計頻率之間產生偏差.試圖通過強力調整,可能只會導致不正常的振蕩.在使用之前,請指明該振動電路的負載電容(請參閱“負載電容”章節內容).PDI晶振,C3晶振,3225mm無源晶振.
深圳市帝國科技有限公司
SHENZHEN DIGUO TECHONLOGY CO.,LTD
手 機:86-13826527865
電 話:86-0755-27881119 QQ:921977998
E-mail:dgkjly@163.com
網 址:www.guazigou.com
地 址:中國廣東省深圳市寶安區西鄉大道新湖路




.jpg)






業務經理