您好,歡迎光臨帝國科技!
產品分類
PRODUCT
PRODUCT
- 國產晶振
- 聲表面濾波器
- 石英晶體
- 石英晶振
- 貼片晶振
- 陶瓷晶振
- 陶瓷濾波器
- 陶瓷霧化片
- 進口晶振
- MERCURY晶振
- Fujicom晶振
- 日本大真空晶振
- 愛普生晶振
- 西鐵城晶振
- 精工晶振
- 村田陶瓷晶振
- 日本京瓷晶振
- 日本進口NDK晶體
- 大河晶振
- TXC晶振
- 亞陶晶振
- 臺灣泰藝晶體
- 臺灣鴻星晶體
- 美國CTS晶體
- 微孔霧化片
- 加高晶振
- 希華石英晶振
- AKER晶振
- NAKA晶振
- SMI晶振
- NJR晶振
- NKG晶振
- Sunny晶振
- 歐美晶振
- Abracon晶振
- ECS晶振
- Golledge晶振
- IDT晶振
- Jauch晶振
- Pletronics晶振
- Raltron晶振
- SiTime晶振
- Statek晶振
- Greenray晶振
- 康納溫菲爾德晶振
- Ecliptek晶振
- Rakon晶振
- Vectron晶振
- 微晶晶振
- AEK晶振
- AEL晶振
- Cardinal晶振
- Crystek晶振
- Euroquartz晶振
- FOX晶振
- Frequency晶振
- GEYER晶振
- KVG晶振
- ILSI晶振
- MMDCOMP晶振
- MtronPTI晶振
- QANTEK晶振
- QuartzCom晶振
- Quarztechnik晶振
- Suntsu晶振
- Transko晶振
- Wi2Wi晶振
- ACT晶振
- MTI晶振
- Lihom晶振
- Rubyquartz晶振
- Oscilent晶振
- SHINSUNG晶振
- ITTI晶振
- PDI晶振
- ARGO晶振
- IQD晶振
- Microchip晶振
- Silicon晶振
- Fortiming晶振
- CORE晶振
- NIPPON晶振
- NICKC晶振
- QVS晶振
- Bomar晶振
- Bliley晶振
- GED晶振
- FILTRONETICS晶振
- STD晶振
- Q-Tech晶振
- Anderson晶振
- Wenzel晶振
- NEL晶振
- EM晶振
- PETERMANN晶振
- FCD-Tech晶振
- HEC晶振
- FMI晶振
- Macrobizes晶振
- AXTAL晶振
- DEI晶振
帝國博客
更多>>- 規格型號:30408691
- 頻率:24~60MHZ
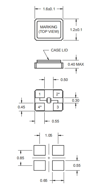
- 尺寸:1.6*1.2mm
- 產品描述:ILSI晶振,ILCX20晶振,ILCX20-FB1F18-20.000MHz晶振,1995年,ILSI北京中國辦事處開業。1998年,ILSI美國公司搬遷到它現在的位置,這是一個位于內華達州里諾的10,000平方英尺的世界總部。1999年,ILSI香港中海物流中心開...
ILSI晶振,ILCX20晶振,ILCX20-FB1F18-20.000MHz晶振
.jpg)
ILSI晶振,ILCX20晶振,ILCX20-FB1F18-20.000MHz晶振,1995年,ILSI北京中國辦事處開業。1998年,ILSI美國公司搬遷到它現在的位置,這是一個位于內華達州里諾的10,000平方英尺的世界總部。1999年,ILSI香港中海物流中心開業。2007年ILSI韓國辦事處的開業完成了我們在美國和亞洲提供真正實體店的目標,這些實體由直接員工提供,以支持我們在北美,墨西哥,亞洲和歐洲快速增長的客戶群。LISI CRYSTAL又名艾爾西晶振,是美國一家專業生產制作時鐘振蕩器的供應商.ILSI晶振美國公司成立于1987年,總部位于加州科某件塔梅薩.
位于美國內華達州的ILSI晶振公司擁有10000平方英尺面積基地,是一家規模較大的晶體供應商,艾爾西晶振公司全球的員工多達上千名,美國ILSI晶振在全球范圍內都具有不小的影響力.并致力于研發生產石英晶體振蕩器,石英晶振,有源晶振等產品.ILSI晶振,ILCX20晶振,ILCX20-FB1F18-20.000MHz晶振.

| ILSI晶振規格 | 單位 | ILCX20晶振頻率范圍 | 石英晶振基本條件 |
| 標準頻率 | f_nom | 24~60MHZ | 標準頻率 |
| 儲存溫度 | T_stg | -40°C ~ +85°C | 裸存 |
| 工作溫度 | T_use | -40°C ~ +85°C(請參閱部件編號指南) | 標準溫度 |
| 激勵功率 | DL | 100μW Max. | 推薦:1μW ~ 100μW |
| 頻率公差 | f_— l |
±50 × 10-6 ,±30 × 10-6 ±25 × 10-6 ,±20 × 10-6 ±15 × 10-6 ,±10 × 10-6 |
+25°C 對于超出標準的規格說明, 請聯系我們以便獲取相關的信息,http://www.guazigou.com/ |
| 頻率溫度特征 | f_tem |
±50 × 10-6 ,±30 × 10-6 ±25 × 10-6 ,±20 × 10-6 ±15 × 10-6 ,±10 × 10-6 |
超出標準的規格請聯系我們. |
| 負載電容 | CL | 18pF 標準~ ∞ | 不同負載要求,請聯系我們. |
| 串聯電阻(ESR) | R1 | 如下表所示 | -40°C — +85°C, DL = 100μW |
| 頻率老化 | f_age | ±3 × 10-6 / year Max. | +25°C,第一年 |
.jpg)

自動安裝時的沖擊:石英晶振自動安裝和真空化引發的沖擊會破壞SMD晶振產品特性并影響這些產品。請設置安裝條件以盡可能將沖擊降至最低,并確保在安裝前未對晶振特性產生影響。條件改變時,請重新檢查安裝條件。同時,在安裝前后,請確保石英晶振產品未撞擊機器或其他電路板等。
每個封裝類型的注意事項
陶瓷包裝晶振與SON產品
在焊接陶瓷晶振和SON產品 (陶瓷包裝是指晶振外觀采用陶瓷制品) 之后,彎曲電路板會因機械應力而導致焊接部分剝落或封裝分裂(開裂)。尤其在焊接這些產品之后進行電路板切割時,務必確保在應力較小的位置布局晶體并采用應力更小的切割方法。
陶瓷包裝石英晶振
在一個不同擴張系數電路板(環氧玻璃)上焊接陶瓷封裝石英晶振時,在溫度長時間重復變化時可能導致端子焊接部分發生斷裂,請事先檢查焊接特性。ILSI晶振,ILCX20晶振,ILCX20-FB1F18-20.000MHz晶振.

深圳市帝國科技有限公司
SHENZHEN DIGUO TECHONLOGY CO.,LTD
手 機:86-13826527865
電 話:86-0755-27881119 QQ:921977998
E-mail:dgkjly@163.com
網 址:www.guazigou.com
地 址:中國廣東省深圳市寶安區西鄉大道新湖路










業務經理