您好,歡迎光臨帝國科技!
產品分類
PRODUCT
PRODUCT
- 國產晶振
- 聲表面濾波器
- 石英晶體
- 石英晶振
- 貼片晶振
- 陶瓷晶振
- 陶瓷濾波器
- 陶瓷霧化片
- 進口晶振
- MERCURY晶振
- Fujicom晶振
- 日本大真空晶振
- 愛普生晶振
- 西鐵城晶振
- 精工晶振
- 村田陶瓷晶振
- 日本京瓷晶振
- 日本進口NDK晶體
- 大河晶振
- TXC晶振
- 亞陶晶振
- 臺灣泰藝晶體
- 臺灣鴻星晶體
- 美國CTS晶體
- 微孔霧化片
- 加高晶振
- 希華石英晶振
- AKER晶振
- NAKA晶振
- SMI晶振
- NJR晶振
- NKG晶振
- Sunny晶振
- 歐美晶振
- Abracon晶振
- ECS晶振
- Golledge晶振
- IDT晶振
- Jauch晶振
- Pletronics晶振
- Raltron晶振
- SiTime晶振
- Statek晶振
- Greenray晶振
- 康納溫菲爾德晶振
- Ecliptek晶振
- Rakon晶振
- Vectron晶振
- 微晶晶振
- AEK晶振
- AEL晶振
- Cardinal晶振
- Crystek晶振
- Euroquartz晶振
- FOX晶振
- Frequency晶振
- GEYER晶振
- KVG晶振
- ILSI晶振
- MMDCOMP晶振
- MtronPTI晶振
- QANTEK晶振
- QuartzCom晶振
- Quarztechnik晶振
- Suntsu晶振
- Transko晶振
- Wi2Wi晶振
- ACT晶振
- MTI晶振
- Lihom晶振
- Rubyquartz晶振
- Oscilent晶振
- SHINSUNG晶振
- ITTI晶振
- PDI晶振
- ARGO晶振
- IQD晶振
- Microchip晶振
- Silicon晶振
- Fortiming晶振
- CORE晶振
- NIPPON晶振
- NICKC晶振
- QVS晶振
- Bomar晶振
- Bliley晶振
- GED晶振
- FILTRONETICS晶振
- STD晶振
- Q-Tech晶振
- Anderson晶振
- Wenzel晶振
- NEL晶振
- EM晶振
- PETERMANN晶振
- FCD-Tech晶振
- HEC晶振
- FMI晶振
- Macrobizes晶振
- AXTAL晶振
帝國博客
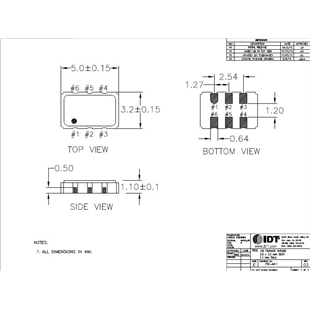
更多>>- 規格型號:30931874
- 頻率:0.016~670MHz
- 尺寸:5.0*3.2mm
- 產品描述:IDT晶振,XUN晶振,HCSL輸出晶振,IDT在德國的全資子公司-IDT歐洲有限公司(前身為ZMDAG)運營其卓越的汽車中心。本公司卓越的子公司/中心是ts-16949,根據iso26262的標準,支持功能性安全要求。了解更多關于IDT的汽車質量...
IDT晶振,XUN晶振,HCSL輸出晶振
.jpg)
IDT晶振,XUN晶振,HCSL輸出晶振,IDT在德國的全資子公司- IDT歐洲有限公司(前身為ZMD AG)運營其卓越的汽車中心。本公司卓越的子公司/中心是ts - 16949,根據iso26262的標準,支持功能性安全要求。了解更多關于IDT的汽車質量。由于微電子器件的功率耗散,熱能的管理很重要,可以從任何電子產品中獲得最好的性能。一種微電子設備的工作溫度決定了產品的速度和可靠性。IDT積極提高產品和包裝,以產生最快、最可靠的設備。然而,由于產品性能往往受到其實現的影響,因此建議仔細考慮影響設備運行溫度的因素,以達到最好的效果。
IDT開發了與數字系統相結合的半導體解決方案,例如處理器和內存,彼此之間,以及物理世界。在IDT,我們認為作為一個行業領導者,我們在解決我們星球上一些最偉大的社會和環境挑戰方面發揮了關鍵作用。IDT致力于通過網站運營和產品開發,持續改進作為一個全球性的組織。
IDT的集成電路用于世界各地的通信、計算和消費行業。IDT總部位于加州圣何塞市,在世界各地都設有設計、運營和銷售設施。IDT晶振公司主要生產有源晶振,石英晶振等頻率元件.IDT晶振,XUN晶振,HCSL輸出晶振.

| 型號 | 符號 | XUN(5032) |
| 輸出規格 | - | HCSL |
| 輸出頻率范圍 | fo | 0.016~670MHz |
| 電源電壓 | VCC | +2.5V±0.125V/+3.3V±0.165V |
|
頻率公差 (含常溫偏差) |
f_tol | ±50×10-6 max., ±100×10-6 max. |
| 保存溫度范圍 | T_stg | -40~+85℃ |
| 運行溫度范圍 | T_use | -10~+70℃ ,-40~+85℃ |
| 消耗電流 | ICC | 30mA max. (fo≦170MHz), |
| 待機時電流(#1引腳"L") | I_std | 10μA max. |
| 輸出負載 | Load-R | 50Ω |
| 波形對稱 | SYM | 45~55% [at outputs cross point] |
| 0電平電壓 | VOL | -0.15~0.15V |
| 1電平電壓 | VOH | 0.58~0.85V |
| 上升時間 下降時間 | tr, tf | 0.5ns max. [0.175~0.525V Level] |
| 差分輸出電壓 | ⊿VOD1, VOD2 | - |
| 差分輸出誤差 | ⊿VOD | - |
| 補償電壓 | VOS | - |
| 補償電壓誤差 | ⊿VOS | - |
| 交叉點電壓 | Vcr | 250~550mV |
| OE端子0電平輸入電壓 | VIL | VCC×0.3 max. |
| OE端子1電平輸入電壓 | VIH | VCC×0.7 min. |
| 輸出禁用時間 | tPLZ | 200ns |
| 輸出使能時間 | tPZL | 2ms |
| 周期抖動(1) | tRMS | 5ps typ. (13.5MHz≦fo<27MHz) / 2.5ps typ. (27MHz≦fo<212.5MHz) (σ) |
| tp-p | 33ps typ. (13.5MHz≦fo<27MHz) / 22ps typ. (27MHz≦fo<212.5MHz) (Peak to peak) | |
| 總抖動(1) | tTL | 50ps typ. (13.5MHz≦fo<27MHz) / 35ps typ. (27MHz≦fo<212.5MHz) [tDJ + n×tRJ n=14.1(BER=1×10-12) (2)] |
| 相位抖動 | tpj |
1.5ps max. (13.5MHz≦fo<27MHz) / 1ps max. (27MHz≦fo<212.5MHz) [13.5MHz≦fo<40MHz,fo offset:12kHz~5MHz fo≧40MHz,fo offset:12kHz~20MHz] |

.jpg)
機械振動的影響
當晶振產品上存在任何給定沖擊或受到周期性機械振動時,比如:壓電揚聲器,壓電蜂鳴器,以及喇叭等,輸出頻率和幅度會受到影響.這種現象對通信器材通信質量有影響.盡管進口晶振產品設計可最小化這種機械振動的影響,我們推薦事先檢查并按照下列安裝指南進行操作.
7-2:PCB設計指導
(1)理想情況下,機械蜂鳴器應安裝在一個獨立于晶體器件的PCB板上.如果您安裝在同一個PCB板上,最好使用余量或切割PCB.當應用于PCB板本身或PCB板體內部時,機械振動程度有所不同.建議遵照內部板體特性.
(2) 在設計時請參考相應的推薦封裝.
(3) 在使用焊料助焊劑時,按JIS標準(JIS C 60068-2-20/IEC 60,068-2-20).來使用.
(4) 請按JIS標準(JIS Z 3282, Pb 含量 1000ppm, 0.1wt% 或更少)來使用無鉛焊料.
存儲事項
(1) 在更高或更低溫度或高濕度環境下長時間保存晶振時,會影響頻率穩定性或焊接性.請在正常溫度和濕度環境下保存這些石英晶振產品,并在開封后盡可能進行安裝,以免長期儲藏.
正常溫度和濕度:
溫度:+15°C 至 +35°C,濕度 25 % RH 至 85 % RH(請參閱“測試點JIS C 60068-1 / IEC 60068-1的標準條件”章節內容).
(2) 請仔細處理內外盒與卷帶.外部壓力會導致卷帶受到損壞.
熱影響
重復的溫度巨大變化可能會降低受損害的石英耐高溫晶振產品特性,并導致塑料封裝里的線路擊穿.必須避免這種情況.
安裝方向
振蕩器的不正確安裝會導致故障以及崩潰,因此安裝時,請檢查安裝方向是否正確.
通電
不建議從中間電位和/或極快速通電,否則會導致無法產生振蕩和/或非正常工作.IDT晶振,XUN晶振,HCSL輸出晶振.





深圳市帝國科技有限公司SHENZHEN DIGUO TECHONLOGY CO.,LTD
聯系人:譚蘭艾 手 機:86-13826527865
電 話:86-0755-27881119 QQ:921977998
E-mail:dgkjly@163.com
網 址:www.guazigou.com
地 址:中國廣東省深圳市寶安區西鄉大道新湖路










業務經理