您好,歡迎光臨帝國科技!
帝國博客
更多>>KDS最小貼片晶振1610體積上市了!
來源:http://www.guazigou.com 作者:dgkjly 2014年02月22
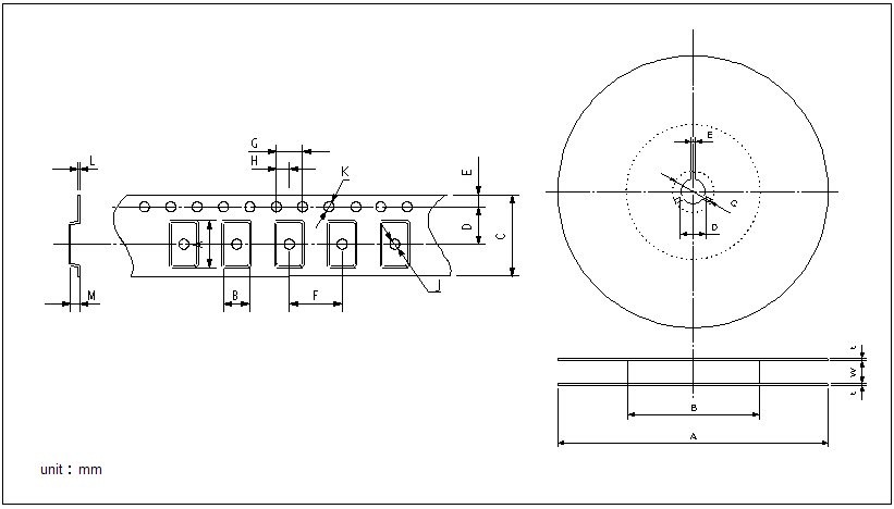
好消息!KDSCrystalDST1610AL2014年2月正式量產,200萬pcs/月,日元價500.00!主要用在移動通信設備,民用設備,智能卡中。帝國科技【KDS大真空株式會社】晶振代理商,2013年底KDS株式會社正式開發1610貼片晶振,頻率:32.768K,負載電容9pf,10pf,12.5pf.并且此次研發的1610晶振完勝DST210A貼片晶振。厚度只有0.35mm,非常輕薄,體積明顯比DST210A小的多!是目前世界上最小最薄的電子元器件。
.jpg)
近年來許多智能卡,時鐘源,數字機器,電子貨幣卡越發的小型化,高性能,不斷進化對電子元器件晶振的強烈需求。KDS株式會社于2013年底正式開發1610貼片晶振,在之前取得新元件設計專利的DST210A晶振,原基礎上大幅度提升,1610晶振可在0.75mm的智能卡中使用,可以給智能卡提供內置必要需求和準確的時鐘源!讓智能卡能夠大幅度增加指令數據。
在本次開發1610晶振過程中,依舊和DST210A保持相同的可靠性能,不同的是1610貼片石英晶振在制作時受水晶板熱脹冷縮,大大的提高了產品的精度,真空密封,一切都在無塵空間高效高品質的監督下完成!KDS1610晶振簡介:
KDS晶振型號:DST1610AL;
厚度:1.6*0.35mm,1.0馬力;
包裝:金屬外殼封裝,無鉛;
通過了ROHS,SGS環保報告;
.jpg)
.jpg)
近年來許多智能卡,時鐘源,數字機器,電子貨幣卡越發的小型化,高性能,不斷進化對電子元器件晶振的強烈需求。KDS株式會社于2013年底正式開發1610貼片晶振,在之前取得新元件設計專利的DST210A晶振,原基礎上大幅度提升,1610晶振可在0.75mm的智能卡中使用,可以給智能卡提供內置必要需求和準確的時鐘源!讓智能卡能夠大幅度增加指令數據。
在本次開發1610晶振過程中,依舊和DST210A保持相同的可靠性能,不同的是1610貼片石英晶振在制作時受水晶板熱脹冷縮,大大的提高了產品的精度,真空密封,一切都在無塵空間高效高品質的監督下完成!KDS1610晶振簡介:
KDS晶振型號:DST1610AL;
厚度:1.6*0.35mm,1.0馬力;
包裝:金屬外殼封裝,無鉛;
通過了ROHS,SGS環保報告;
.jpg)
正在載入評論數據...
相關資訊
- [2025-09-17]KX-327RT型號Geyer格耶晶振對工業未來價值貢獻
- [2025-06-26]Greenray美國格林雷T70系列TCXO晶振移動應用的精準之芯
- [2024-04-23]MtronPTI針對高要求雷達應用的解決方案XO5503-10MHz
- [2024-04-19]Abracon晶振ABM7-12.288MHZ-D2Y-T產品陣容
- [2024-04-17]FCD-Tech晶振F1612A-20-20-K-30-F-27.000MHz產品型號列表大全
- [2024-04-15]Vectron晶振VT-860-EFE-507A-26M0000000TR產品詳情
- [2024-04-11]Rubyquartz石英晶振R1612-50.000-8-F-1530-TR應用范圍
- [2024-04-10]Suntsu恒溫晶振SGO12S-10.000M系列保持精確計時




業務經理